SENSORI DI LIVELLO CARBURANTE

Una tra le più importanti informazioni che possiamo trarre dal cruscotto di un’auto o di un autotreno, così come di un’imbarcazione o una macchina semovente, è la quantità di carburante presente nel serbatoio del mezzo. I sensori di livello carburante Mont.El assicurano una misurazione costante e precisa grazie alla lunga esperienza costruttiva e ai brevetti depositati.

 
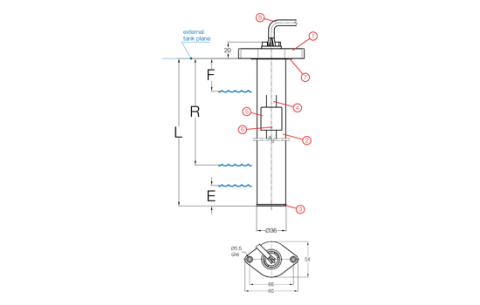
B9

Sensore con fissaggio a 2 viti

Sensore con fissaggio a 2 viti
B9

Sensore con fissaggio a 2 viti

Sensore carburante disponibile in 28 lunghezze fino a 684 mm. Montaggio a due viti. Montaggio possibile sia dal fondo che dall'altro del serbatoio. Massima versatilità d'uso.


Componenti
1 - Flangia
2 - Corpo
3 - Tappo di chiusura
4 - Circuito stampato
5 - Galleggiante
6 - Contatto strisciante
7 - Guarnizione esterna
8 - Cablaggio (L=200 mm)
9 - Flange
10 - Body
11 - Stopper
12 - Printed circuit board
13 - Float
14 - Sliding contact
15 - Outer sea
16 - Wiring (L=200 mm)



Carburanti Compatibili

Benzina senza piombo, gasolio, gasolio agricolo e ogni carburante non conducente.



PRODOTTI CORRELATI
CABLAGGI ELETTRICI

Mont.El è in grado di realizzare la produzione di cablaggi elettrici con tutte le tipologie possibili di finiture fino ad arrivare alle operazioni di costampaggio con connettori hot-melt.

CONTINUA
QUADRI ELETTRICI

Competenza professionalità ed esperienza. Si può riassumere con questi fondamentali concetti la filosofia di Mont.El, che da sempre pone al centro dell’attenzione il Cliente, al cui servizio sono dedicate tutte le risorse presenti nella struttura.

CONTINUA
SONDE DI TEMPERATURA

Progettiamo e produciamo sonde di temperatura, con segnale in continuo, a seconda delle richieste del cliente.

CONTINUA

Certificazioni

Mont.El ha conseguito le principali certificazioni del settore, che ne attestano la continua ricerca della qualità nel rispetto della normativa oltre che dell’ambiente e del personale.

CONTINUA

Scarica il catalogo dei sensori di livello carburante
DOWNLOAD